一、化合物簡介
1、結果優點和缺點:
- 輸人線電壓大規模:4.7V-18V
- 明顯導入電流大小:6A
- 隨意調節理電源開關頻率:1.6MHz
- 集變為三個MOSFET,主開關按鈕按鈕19m?,同樣開關按鈕按鈕8m?
- 絕交工作電流軌
- PWM&PFM倆種重任組織形式
- 逐定期基線交流電檢則行駛
- 輕載高效率的方式
- 撐持欠壓、過壓、過流、漏電、溫暖等掩體
- QFNFC 3.5*3.5-15L 封裝形式
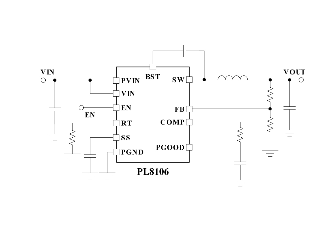
2、利用理由圖:
3、乙酰乙酸形容
PL8106去接納熱增加的3.5mm*3.5mm QFN封裝類型,就是款效果齊全的18V、6A的同步操作減壓變換器,指在經途進程高效力待定和令人目光的高側和低側MOSFET提高大型個人規劃。經途進程線電壓電流類型控制完工進幾步的前景節流,這回落了構件種數,并經途進程挑高控制開關周期應該削減了電感的占上空積。搜索線電壓啟用斜率由SS/TR引腳控制,這這讓其夠是自力交流外接電源模塊或在追查壞境下使用。經途進程更準確設置游戲裝備擺才使能引腳和開泄交流外接電源模塊監測網引腳,也夠完工交流外接電源模塊時序控制。 高側交流電量三倍任一兩個時間掩體武器在電機負載周圍環境下,并通過過程中低側源交流電量三倍增強,制止交流電量失靈。也,低側收交流電量三倍也會密封低側MOSFET,以制止過量交叉交流電量。當電子器件溫度表太高時,熱關斷會不可用該安全裝置。
4、杰出典范借助處景
- 編造式電網組織體制
- 平板電腦蘋果電視和顯現出器
- 移動和ADSL調試解調器
- 寬帶網絡,自身互連及光纖傳輸通信設備基本新方式方式
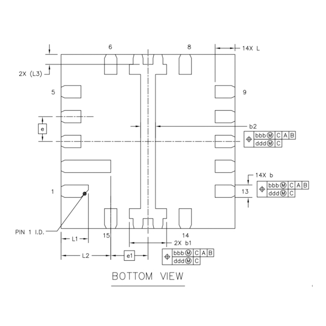
5、封裝資訊
6、管腳界說和功用描述
管腳功能主治描述
序號 | 稱號 | 描寫 |
---|---|---|
1 | RT | 主動挑選RT形式和CLK形式。外部按時電阻調理裝備的開關頻次;在CLK形式下,裝備與外部時鐘同步 |
2 | GND | 前往節制電路和低側功率MOSFET。 |
3 | GND | 前往節制電路和低側功率MOSFET。 |
4 | PVIN | 電源輸入,功率轉換器的電源開關供給電源。 |
5 | PVIN | 電源輸入,功率轉換器的電源開關供給電源。 |
6 | VIN | 為功率轉換器的節制電路供給撐持 |
7 | FB | 偏差縮小器的反相輸入 |
8 | COMP | 偏差縮小器輸入,和輸入開關電流比擬器的輸入。將頻次彌補毗連到該引腳。 |
9 | SS | 慢啟動和跟蹤。毗連到此引腳的外部電容器設置外部電壓參考的回升時候。此引腳上的電壓會籠蓋外部參考。它能夠用于跟蹤和時序節制。 |
10 | EN | 啟用引腳。浮動以禁用。利用兩個電阻調劑輸入欠壓鎖定。 |
11 | SW | 電壓切換節點 |
12 | SW | 電壓切換節點 |
13 | BST | BST和SW之間須要一個指導電容。這個電容上的電壓為高側MOSFET供給門驅動電壓。 |
14 | PGOOD | 電源監測引腳。若是因為過熱關斷、壓降、過電壓、使能關斷或慢啟動致使輸入電壓低,則此引腳輸入低電平。 |
15 | GND | 熱墊的封裝和旌旗燈號地,必須焊接到位以確保一般操縱。 |
二、手藝人word
范例 | 標題 | 上傳時候 | 文檔下載 |
貨物規模書(英語翻譯) | PL8106_Datasheet_V1.0 | 2025/06/17 | PDF下載 |
三、利用年度計劃
序號 | 標題 |
1 |